Comments and Suggestions
   
Last updated: November 26, 1999


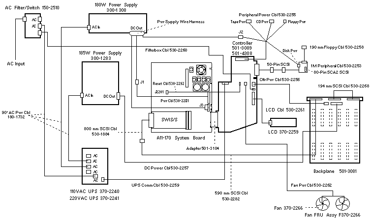
Netra nfs 150 Wiring Diagram



© 1987-2000, Sun Microsystems Inc.