Sun Microsystems, Inc.
spacer spacer
spacer   Sun System Handbook Home | Systems | Components | General Info | Search | Feedback 
spacer
black dot
 
black fade
 

Sun 4300

Sun-4/310/330/350/360/370/380/390

501-1316 501-1742
8MB
w 1MB SIMMS
32MB
w 4MB SIMMS

Power

17.5 Amps @ +5vdc
0.2 Amps @ +12vdc
0.2 Amps @ -12vdc
92.3 Watts

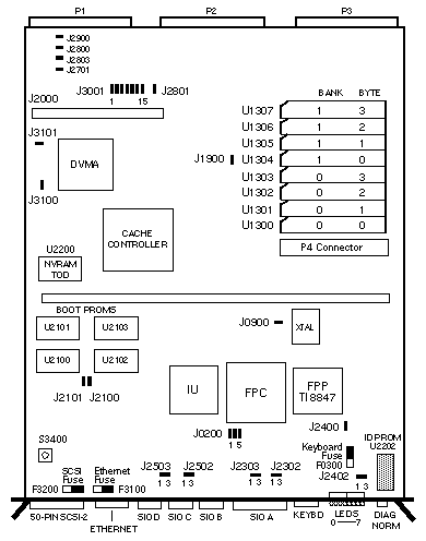
Jumper Settings

JUMPER PINS SETTING DESCRIPTION
J0200 1-2
3-4
5-6
In
In
Out
FPC normally low
FPC normally low
FPC normally high
J0900 1-2 In Enable Sysclock
J1900 1-2
1-2
In
Out
CPU has 4MB SIMMs
CPU has 1MB SIMMs
J2100
J2101
1-2
In
In
Out
Enable 27512 EPROM
Enable 27256 EPROM
J2302
J2303
1-2
1-2
In
In
Set Ports A,B to RS-232 (+ 12V)
Set Ports A,B to RS-232 (- 12V)
J2302
J2303
2-3
2-3
In
In
Set Ports A,B to RS-423 (+ 5V)
Set Ports A,B to RS-423 (- 5V)
J2400 1-2 In Enable serial port clock
J2402 1-2
2-3
Out
In
Mouse TD enabled (optional)
Mouse TD grounded (default)
J2502
J2503
1-2
1-2
In
In
Set Ports C,D to RS-232 (+ 12V)
Set Ports C,D to RS-232 (- 12V)
J2502
J2503
2-3
2-3
In
In
Set Ports C,D to RS-423 (+ 5V)
Set Ports C,D to RS-423 (- 5V)
J2701
J2800
J2801
J2803
1-2
1-2
1-2
1-2
Out
In
In
Out
Disable VME loopback
Enable VME reset Out
Enable VME arbiter
Enable VME reset IN
J2900 1-2 In Enable 16 MHz clock to backplane
J3001 1-2
3-4
5-6
7-8
9-10
11-12
13-14
15-16
In/Out
In
In
In
In
In
In
In
Not connected
Enable VME interrupt level 1
Enable VME interrupt level 2
Enable VME interrupt level 3
Enable VME interrupt level 4
Enable VME interrupt level 5
Enable VME interrupt level 6
Enable VME interrupt level 7
J3100 1-2 In Enable 32 MHz clock
J3101 1-2 In Enable 48 MHz clock

Notes

  1. Use 1MB SIMM 501-1408-01, 501-1466-01, 501-1544-01, 501-1565-01, or 501-1697-01.
  2. Use 4MB SIMM 501-1682-01 or 501-1739-01.
  3. 4MB SIMMs, Option X134A, are not supported on the Sun-4/330 CPU.
  4. The Sun 4100 1MB SIMM, 501-1466, may be used in the Sun-4/310 and Sun-4/350 system upgrades.
  5. Fuses F0300, F3100, and F3200 use 2 Amp Fuse 150-1174-01.
  6. The CPU is set for Ethernet Level 2. Level 1 is not selectable.
  7. CPU >=501-1316-04 is required for use with the ISP-80 and FDDI controllers and with LISP software.
  8. CPU >=501-1316-03 is required for use with CG5.
  9. Boot PROM 3.0 or greater is required to boot from the 60MB 1/4" tape drive in the Mass Storage Subsystem.
  10. Boot PROM 3.0.1 or greater is required to boot from a tape drive on a second SCSI Host Adapter.
  11. Boot PROM 3.0.3 or greater is required with 4MB SIMM modules.
  12. Install Fused Shunt, 150-1669-01, at locations J2302, J2303, J2502, and J2503, to provide circuit protection to the M+ (+12Vdc) and M- (-12Vdc) inputs to the UC5170 Serial Port Line Driver.
  13. The final software release for the Sun 4300 is Solaris 2.4.

Reference

Sun 4300 CPU Board Installation Notes, 800-3119.


Last updated: December 2, 1996
WebToneWebToneWebToneWebTone
 Copyright 1994-2003 Sun Microsystems, Inc.,  901 San Antonio Road, Palo Alto, CA 94303 USA.  All rights reserved.
 Legal Terms Privacy Policy Feedback