Comments and Suggestions
   
Last updated: November 26, 1999


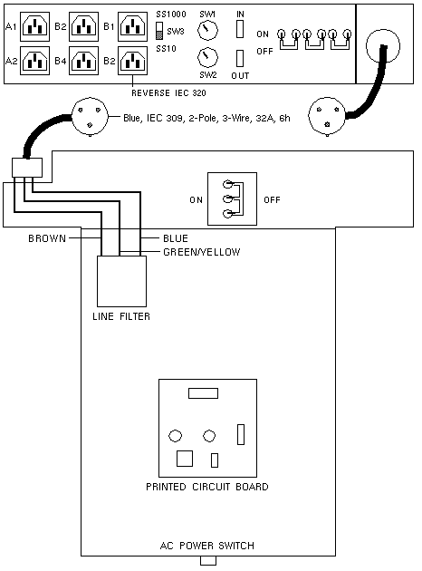
240V AC Power Sequencer

Option 964

300-1217
Sherwood Enterprises

Note

Any conversion to the Stacking Unit, including replacement of the AC Power Plug or AC Power Sequencer, voids all safety agency approvals.


© 1987-2000, Sun Microsystems Inc.