Last updated: November 26, 1999
SPARCstation 20
SS20 / Netra i20 / Netra s20 / Netra i600 / Netra i625
| 501-2324 |
501-2924 |
501-2961 |
0MB FRU
w/o MBus Module
MSBI Version 0 - 3
|
0MB FRU
w/o MBus Module
MSBI Version 3 |
0MB FRU
w/o MBus Module
MSBI Version 3 |
Notes
- Part number 501-2924 is a new board with MSBI Version 3.
- Part number 501-2961 is a repaired 501-2324 with MSBI Version 3.
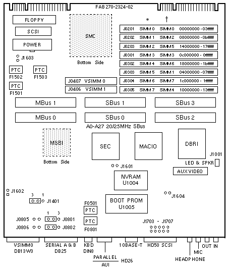
FAB 270-2324-02 Jumper Settings
When Pins 1-2 on J1401 are jumpered, the MBus speed is set to 40MHz.
When Pins 2-3 on J1401 are jumpered, the MBus speed is selected by the module
installed in MBus 0. The MBus speed of the SM50 is 50MHz. The MBus speed of the
SM51 is 40MHz. The MBus speed of the SM61 is 50MHz.
| JUMPER |
PINS |
SETTING |
DESCRIPTION |
J0801 J0802 J0801 J0802 |
1-2 1-2 2-3 2-3 |
In In In* In* |
Select RS-232 (+12V)
Select RS-232 (-12V)
Select RS-423
Select RS-423 |
J0805 J0806 J0805 J0806 |
1-2 1-2 1-2 1-2 |
Out* Out*
In
In |
Port B asynchronous
Port B asynchronous
Port B synchronous
Port B synchronous |
| J1401 |
1-2 2-3 |
In In* |
40MHz MBus
40/50MHz MBus |
| J1601 |
1-2 |
N/A |
Ground test point |
| J1602 |
1-2 |
N/A |
Ground test point |
| J1603 |
1-2 |
N/A |
Ground test point |
| J1703 |
1-2 |
Out |
Test point tpe<3> |
| J1704 |
1-2 |
Out |
Test point tpe<2> |
| J1705 |
1-2 |
Out |
Test point tpe<1> |
| J1706 |
1-2 |
Out |
Test point tpe<0> |
| J1707 |
1-2 |
Out |
Test point edgeon |
|
* Default setting
Requires an adapter that is not available from Sun |
SS20 / Netra i20 / Netra s20 / Netra i600 / Netra i625
| 501-2324 |
501-2924 |
501-2961 |
0MB FRU
w/o MBus Module
MSBI Version 0 - 3
|
0MB FRU
w/o MBus Module
MSBI Version 3
|
0MB FRU
w/o MBus Module
MSBI Version 3
|
Notes
- Part number 501-2924 is a new board with MSBI Version 3.
- Part number 501-2961 is a repaired 501-2324 with MSBI Version 3.
FAB 270-2324-03 / FAB 270-2324-04 Jumper Settings
When Pins 1-2 on J1401 are jumpered, the MBus speed is set to 40MHz.
When Pins 2-3 on J1401 are jumpered, the MBus speed is selected by the module
installed in MBus 0. The MBus speed of the SM50 is 50MHz. The MBus speed of the
SM51 is 40MHz. The MBus speed of the SM61 is 50MHz.
| JUMPER |
PINS |
SETTING |
DESCRIPTION |
J0801 J0802 J0801 J0802 |
1-2 1-2 2-3 2-3 |
In In In* In* |
Select RS-232 (+12V)
Select RS-232 (-12V)
Select RS-423
Select RS-423 |
J0805 J0806 J0805 J0806 |
1-2 1-2 1-2 1-2 |
Out* Out*
In
In |
Port B asynchronous
Port B asynchronous
Port B synchronous
Port B synchronous |
| J1401 |
1-2 2-3 |
In In* |
40MHz MBus
40/50MHz MBus |
| J1601 |
1-2 |
N/A |
Ground test point |
| J1602 |
1-2 |
N/A |
Ground test point |
| J1603 |
1-2 |
N/A |
Ground test point |
| J1703 |
1-2 |
Out |
Test point tpe<3> |
| J1704 |
1-2 |
Out |
Test point tpe<2> |
| J1705 |
1-2 |
Out |
Test point tpe<1> |
| J1706 |
1-2 |
Out |
Test point tpe<0> |
| J1707 |
1-2 |
Out |
Test point edgeon |
|
* Default setting
Requires an adapter that is not available from Sun |
System Board Backpanel and Connectors
Notes
- The minimum operating system is Solaris 2.3 or Solaris 1.1.1 Revision B.
- Use SIMMs 501-2479 (16MB), 501-2622 (32MB), and 501-2480 (64MB).
- Install Solaris 2.3 Patch
>=101318-34
when:
One 32MB SIMM is mixed with seven 16 or 64MB SIMMs
Two 32MB SIMMs are mixed with five or more 16 or 64MB SIMMs
Three 32MB SIMMs are mixed with three or more 16 or 64MB SIMMs
Four 32MB SIMMs are mixed with one or more 16, 32, or 64MB SIMMs.
- Use the sxconfig (1M) command to configure contiguous memory.
- Do NOT mix SPARC modules of different types or speeds.
- The 100MHz and 125MHz hyperSPARC Modules require OBP 2.19.
- SuperSPARC II Modules require Boot PROM 2.22.
- The 150MHz hyperSPARC Module requires OBP 2.25.
ZX and TurboZX Notes
- Poor performance may occur when running XGL applications with the ZX and
TurboZX frame buffers on system boards with MSBI Versions 0, 1, and 2. Refer to
BugID 1173967 and FCO A0073.
- Use the .attributes OBP command or the prtconf -vp Unix
command to determine the MSBI Version.
- ok cd /iommu
- ok .version
- Implementation: 00000001
- Version: 00000000 or 00000001 or 00000002 or 00000003
References
-
SPARCstation 20 Service Manual, 801-6189-10.
-
SS20 DSIMM Installation, 801-6185-11.
-
SS10SX and SS20 System Configuration Guide, 801-7287-10.
© 1987-2000, Sun Microsystems Inc.