Last updated: November 26, 1999
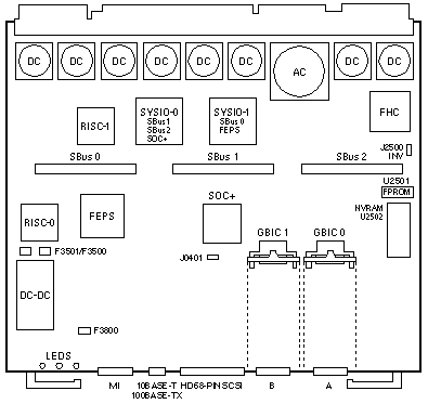
I/O Board with SOC+
E3000 / E4000 / E5000 / E6000
E3500 / E4500 / E5500 / E6500
Option 2611
| 501-4266 |
I/O Type 4 83MHz Gigaplane |
 |
|
| Backpanel and Connectors |
 |
Jumper Settings
| JUMPER |
PINS |
SETTING |
DESCRIPTION |
| J0401 |
1-2 1-2 |
In Out |
SOC+ Flash write enabled
SOC+ Flash write protected |
| J2500 |
1-2 |
Out |
Inv Adr 1 |
Notes
- The minimum Ex000 operating system is 2.5.1.
- The minimum Ex500 OS is 2.5.1 HW: 11/97 or 2.6 HW: 3/98.
- The Gigaplane runs at the speed of the slowest detected board.
- The following cable type is supported with GBIC 370-2303:
50/125 Multimode Fiber up to 500 meters
FlashPROM Notes
- Use the Flash PROM Programming Utility to update the FCode.
- Use the prom-copy (src dst) command to copy a flash PROM.
- ok prom-copy 2 b (copies from board 2 to board 11)
- Use the update-proms command to synchronize the latest version of
the flash PROM installed in the system to all boards of the same type.
NVRAM Notes
- The Clock Board and I/O Board NVRAMs are automatically synchronized
when the Clock Board NVRAM contents matches at least one I/O Board NVRAM.
- Use one of the following OBP commands to synchronize the Clock Board
and I/O Board NVRAM:
- ok copy-clock-tod-to-io-boards
- ok copy-io-board-tod-to-clock-tod
References
-
Ultra Enterprise 3000 System Manual, 802-6051.
-
Ultra Enterprise 4000/5000/6000 System Manual, 802-3845.
-
SBus and Graphics I/O Boards Installation, 805-2704.
-
System Flash PROM Programming Guide, 802-5579.
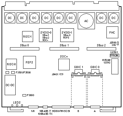
I/O Board with SOC+
E3000 / E4000 / E5000 / E6000
E3500 / E4500 / E5500 / E6500
Option 2612
| 501-4883 |
I/O Type 4 83/90/100MHz Gigaplane |
 |
|
| Backpanel and Connectors |
 |
Jumper Settings
| JUMPER |
PINS |
SETTING |
DESCRIPTION |
| J0401 |
1-2 1-2 |
In Out |
SOC+ Flash write enabled
SOC+ Flash write protected |
| J2500 |
1-2 |
Out |
Inv Adr 1 |
Notes
- The minimum Ex000 operating system is 2.5.1.
- The minimum Ex000 OS is 2.5.1 HW: 11/97 if a GBIC is installed.
- The minimum Ex500 OS is 2.5.1 HW: 11/97 or 2.6 HW: 3/98.
- The Gigaplane runs at the speed of the slowest detected board.
- The following cable type is supported with GBIC 370-2303:
50/125 Multimode Fiber up to 500 meters
FlashPROM Notes
- Use the Flash PROM Programming Utility to update the FCode.
- Use the prom-copy (src dst) command to copy a flash PROM.
- ok prom-copy 2 b (copies from board 2 to board 11)
- Use the update-proms command to synchronize the latest version of
the flash PROM installed in the system to all boards of the same type.
NVRAM Notes
- The Clock Board and I/O Board NVRAMs are automatically synchronized
when the Clock Board NVRAM contents matches at least one I/O Board NVRAM.
- Use one of the following OBP commands to synchronize the Clock Board
and I/O Board NVRAM:
- ok copy-clock-tod-to-io-boards
- ok copy-io-board-tod-to-clock-tod
References
-
Enterprise 3500 System Reference Manual, 805-2630.
-
Enterprise 4500/5500/6500 System Reference Manual, 805-2632.
-
SBus and Graphics I/O Boards Installation, 805-2704.
-
System Flash PROM Programming Guide, 802-5579.
© 1987-2000, Sun Microsystems Inc.