Comments and Suggestions
   
Last updated: November 26, 1999


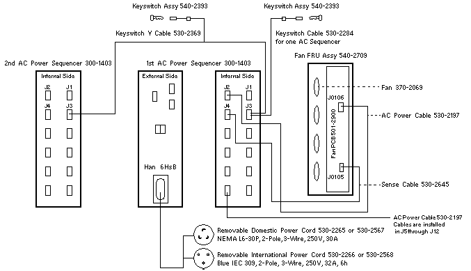
68-inch Enterprise Expansion Cabinet



© 1987-2000, Sun Microsystems Inc.