Comments and Suggestions
   
Last updated: November 26, 1999


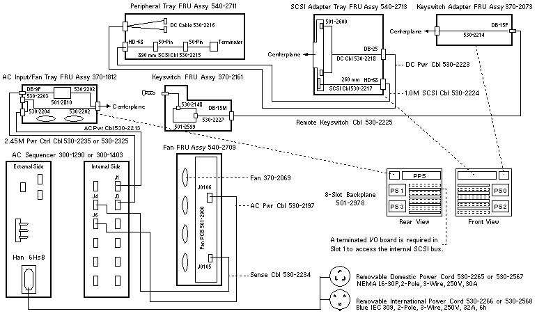
Ultra Enterprise 5000 Wiring Diagram



© 1987-2000, Sun Microsystems Inc.