Last updated: November 26, 1999
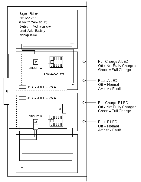
Symbios Redundant Battery Backup Module
RSM Array 2000
StorEdge A3000 / StorEdge A3500 / StorEdge A3500FC
Top View with Cover Removed
 |
Notes
- Charging a new battery can take up to 12 hours.
- Write caching is disabled if the battery is weak or has lost its charge.
- Replace the battery every 2 years as indicated on the label.
- The maximum battery shelf life is 12 months at 25C.
- Four LEDs were added to the front panel in July 1998.
© 1987-2000, Sun Microsystems Inc.