Comments and Suggestions
   
Last updated: March 26, 1999


ATL 354 Watt Power Supply

StorEdge L1000

370-3531
ATL 6220518
Autec PCB-5300-4123

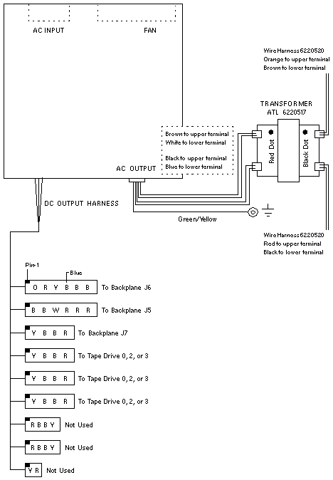
Wire Color Codes
CODE COLOR VOLTAGE
B Black Gnd
B Blue -12V
O Orange +5
R Red +12V
W White -5V
Y Yellow +5V

DC Output
+5V +12V -12V
30A 16A 1A



© 1987-1999, Sun Microsystems Inc.