Comments and Suggestions
   
Last updated: March 26, 1999


ATL 100 Watt Power Supply

ETL 4/1000 / ETL 4/1800 / ETL 7/3500
StorEdge L1800 / StorEdge L3500

300-1339
Volgen MRE-244R2U

Rear View

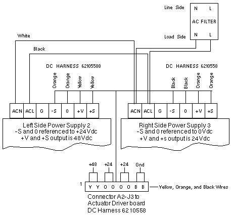
Wiring Diagram ETL 4/1000/1800


DC Output
+24V 4.2A


© 1987-1999, Sun Microsystems Inc.