Comments and Suggestions
   
Last updated: July 24, 2000


Ultra Enterprise 450

A25

501-2996
0MB FRU w 2MB Cache Support

PCI Slot Numbering

SILKSCREEN PCI
SLOT
PSYCHO PCI BUS DEVICE TREE
10-A1 10 PSYCHO A - SLOT 1 B - 0 pci@1f,4000/*@4,*
9-B1 9 PSYCHO B - SLOT 1 F - 2 pci@4,4000/*@2,*
8-B2 8 PSYCHO B - SLOT 2 F - 2 pci@4,4000/*@3,*
7-B3 7 PSYCHO B - SLOT 3 F - 2 pci@4,4000/*@4,*
6-B1 6 PSYCHO B - SLOT 1 E - 3 pci@4,2000/*@1,*
5-A1 5 PSYCHO A - SLOT 1 A - 1 pci@1f,2000/*@1,*
4-C1 4 PSYCHO C - SLOT 1 C - 5 pci@6,2000/*@1,*
3-C1 3 PSYCHO C - SLOT 1 D - 4 pci@6,4000/*@2,*
2-C2 2 PSYCHO C - SLOT 2 D - 4 pci@6,4000/*@3,*
1-C3 1 PSYCHO C - SLOT 3 D - 4 pci@6,4000/*@4,*
Psycho A and Psycho C share the address/data bus. Psycho B has a private bus. PCI Bus B shares the address/data bus with onboard Audio, Ethernet, Flash, Floppy, Keyboard, Mouse, NVRAM, Parallel, SCSI, and Serial devices.

Jumper Settings

CODE JUMPER PINS SETTING DESCRIPTION
a J0102 2-3 In CPU-A1 scan enabled
b J0103 2-3 In UPA-A lab debug use only
c J0104 2-3 In UPA-A lab debug use only
d J0202 2-3 In CPU-A2 scan enabled
e J0302 2-3 In CPU-B1 scan enabled
f J0303 2-3 In UPA-B lab debug use only
g J0304 2-3 In UPA-B lab debug use only
h J0402 2-3 In CPU-B2 scan enabled
i J0501 2-3 In Marvin scan enabled
j J0601 2-3 In Marvin SRAM U0601 scan enabled
k J0602 2-3 In Marvin SRAM U0602 scan enabled
l J2304 2-3 In Cheerio scan enabled
m J2402 2-3 In 53C825 SCSI J2401 scan enabled
n J2701 1-2
2-3
NA
NA
÷3 mode (250MHz/300MHz) *
÷2 mode *
o J3102 1-2
2-3
In
In
Select FPROM (default)
Select ROMBO
p J3103 1-2
2-3
In
In
FPROM write protect
FPROM write enable (default)
q J3303 1-2
2-3
In
In
RS-232
RS-423 (default)
r J3304 1-2
2-3
In
In
RS-232
RS-423 (default)
s J3401 2-3 In Ethernet 83840 PHY scan enabled
t J3803 2-3 In FFB J3801 Port ID 0x1d scan enabled
u J3804 2-3 In FFB J3802 Port ID 0x1e scan enabled
v J5501 1-2
2-3
In
In
FPROM flash recovery mode
FPROM normal booting (default)
w J5602 2-3 In 53C825 SCSI J5601 scan enabled
x J5701 2-3 In Psycho B scan enabled
y J5702 2-3 In Psycho A scan enabled
z J5703 2-3 In Psycho C scan enabled
* The 3-Pin header is not installed in system board >= 501-2996-07.


Ultra Enterprise 450

A25

501-5270
0MB FRU w 4MB Cache Support

PCI Slot Numbering

SILKSCREEN PCI
SLOT
PSYCHO PCI BUS DEVICE TREE
10-A1 10 PSYCHO A - SLOT 1 B - 0 pci@1f,4000/*@4,*
9-B1 9 PSYCHO B - SLOT 1 F - 2 pci@4,4000/*@2,*
8-B2 8 PSYCHO B - SLOT 2 F - 2 pci@4,4000/*@3,*
7-B3 7 PSYCHO B - SLOT 3 F - 2 pci@4,4000/*@4,*
6-B1 6 PSYCHO B - SLOT 1 E - 3 pci@4,2000/*@1,*
5-A1 5 PSYCHO A - SLOT 1 A - 1 pci@1f,2000/*@1,*
4-C1 4 PSYCHO C - SLOT 1 C - 5 pci@6,2000/*@1,*
3-C1 3 PSYCHO C - SLOT 1 D - 4 pci@6,4000/*@2,*
2-C2 2 PSYCHO C - SLOT 2 D - 4 pci@6,4000/*@3,*
1-C3 1 PSYCHO C - SLOT 3 D - 4 pci@6,4000/*@4,*
Psycho A and Psycho C share the address/data bus. Psycho B has a private bus. PCI Bus B shares the address/data bus with onboard Audio, Ethernet, Flash, Floppy, Keyboard, Mouse, NVRAM, Parallel, SCSI, and Serial devices.

Jumper Settings

CODE JUMPER PINS SETTING DESCRIPTION
a J0102 2-3 In CPU-A1 scan enabled
b J0103 2-3 In UPA-A lab debug use only
c J0104 2-3 In UPA-A lab debug use only
d J0202 2-3 In CPU-A2 scan enabled
e J0302 2-3 In CPU-B1 scan enabled
f J0303 2-3 In UPA-B lab debug use only
g J0304 2-3 In UPA-B lab debug use only
h J0402 2-3 In CPU-B2 scan enabled
i J0501 2-3 In Marvin scan enabled
j J0601 2-3 In Marvin SRAM U0601 scan enabled
k J0602 2-3 In Marvin SRAM U0602 scan enabled
l J2304 2-3 In Cheerio scan enabled
m J2402 2-3 In 53C825 SCSI J2401 scan enabled
n J2701 1-2
2-3
In/Out
In
÷3 mode (250MHz/300MHz) *
÷2 mode (167/200MHz) ÷4 (400MHz) *
o J3102 1-2
2-3
In
In
Select FPROM (default)
Select ROMBO
p J3103 1-2
2-3
In
In
FPROM write protect
FPROM write enable (default)
q J3303 1-2
2-3
In
In
RS-232
RS-423 (default)
r J3304 1-2
2-3
In
In
RS-232
RS-423 (default)
s J3401 2-3 In Ethernet 83840 PHY scan enabled
t J3803 2-3 In FFB J3801 Port ID 0x1d scan enabled
u J3804 2-3 In FFB J3802 Port ID 0x1e scan enabled
v J5501 1-2
2-3
In
In
FPROM flash recovery mode
FPROM normal booting (default)
w J5602 2-3 In 53C825 SCSI J5601 scan enabled
x J5701 2-3 In Psycho B scan enabled
y J5702 2-3 In Psycho A scan enabled
z J5703 2-3 In Psycho C scan enabled
* The "ULTRA-1 CPU 2-3" silkscreen is incorrect. UltraSPARC I is not supported. The 400MHz UltraSPARC II requires a jumper on Pins 2-3. Pins 1-2 are jumpered for 250/300MHz UltraSPARC II. A jumper is not required because Pin-1 is not connected.


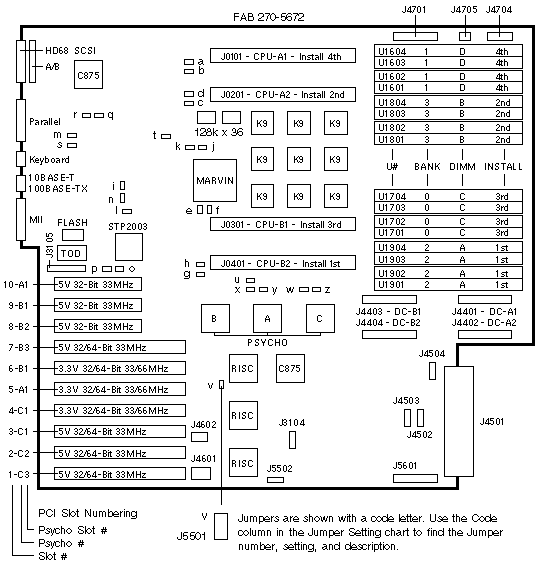
Ultra Enterprise 450

A25

501-5672 501-5673
0MB FRU w 4MB Cache Support 0MB FRU w 4MB Cache Support

PCI Slot Numbering

SILKSCREEN PCI
SLOT
PSYCHO PCI BUS DEVICE TREE
10-A1 10 PSYCHO A - SLOT 1 B - 0 pci@1f,4000/*@4,*
9-B1 9 PSYCHO B - SLOT 1 F - 2 pci@4,4000/*@2,*
8-B2 8 PSYCHO B - SLOT 2 F - 2 pci@4,4000/*@3,*
7-B3 7 PSYCHO B - SLOT 3 F - 2 pci@4,4000/*@4,*
6-B1 6 PSYCHO B - SLOT 1 E - 3 pci@4,2000/*@1,*
5-A1 5 PSYCHO A - SLOT 1 A - 1 pci@1f,2000/*@1,*
4-C1 4 PSYCHO C - SLOT 1 C - 5 pci@6,2000/*@1,*
3-C1 3 PSYCHO C - SLOT 1 D - 4 pci@6,4000/*@2,*
2-C2 2 PSYCHO C - SLOT 2 D - 4 pci@6,4000/*@3,*
1-C3 1 PSYCHO C - SLOT 3 D - 4 pci@6,4000/*@4,*
Psycho A and Psycho C share the address/data bus. Psycho B has a private bus. PCI Bus B shares the address/data bus with onboard Audio, Ethernet, Flash, Floppy, Keyboard, Mouse, NVRAM, Parallel, SCSI, and Serial devices.

Jumper Settings

CODE JUMPER PINS SETTING DESCRIPTION
a J0102 2-3 In CPU-A1 scan enabled
b J0103 2-3 In UPA-A lab debug use only
c J0104 2-3 In UPA-A lab debug use only
d J0202 2-3 In CPU-A2 scan enabled
e J0302 2-3 In CPU-B1 scan enabled
f J0303 2-3 In UPA-B lab debug use only
g J0304 2-3 In UPA-B lab debug use only
h J0402 2-3 In CPU-B2 scan enabled
i J0501 2-3 In Marvin scan enabled
j J0601 2-3 In Marvin SRAM U0601 scan enabled
k J0602 2-3 In Marvin SRAM U0602 scan enabled
l J2304 2-3 In Cheerio scan enabled
m J2402 2-3 In 53C825 SCSI J2401 scan enabled
n J2701 1-2
2-3
In/Out
In
÷3 mode (250MHz/300MHz) *
÷2 mode and ÷4 (400MHz) *
o J3102 1-2
2-3
In
In
Select FPROM (default)
Select ROMBO
p J3103 1-2
2-3
In
In
FPROM write protect
FPROM write enable (default)
q J3303 1-2
2-3
In
In
RS-232
RS-423 (default)
r J3304 1-2
2-3
In
In
RS-232
RS-423 (default)
s J3401 2-3 In Ethernet 83840 PHY scan enabled
t J3803 2-3 In FFB J3801 Port ID 0x1d scan enabled
u J3804 2-3 In FFB J3802 Port ID 0x1e scan enabled
v J5501 1-2
2-3
In
In
FPROM flash recovery mode
FPROM normal booting (default)
w J5602 2-3 In 53C825 SCSI J5601 scan enabled
x J5701 2-3 In Psycho B scan enabled
y J5702 2-3 In Psycho A scan enabled
z J5703 2-3 In Psycho C scan enabled
* The "ULTRA-1 CPU 2-3" silkscreen is incorrect. UltraSPARC I is not supported. The 400MHz UltraSPARC II requires a jumper on Pins 2-3. Pins 1-2 are jumpered for 250/300MHz UltraSPARC II. A jumper is not required because Pin-1 is not connected.

501-5672 Notes

  1. FAB 270-5672 adds J2702 for divide by 5. Not installed on 501-5672. Installed on 501-5673.
  2. The 501-5672 started to ship in May 2000. The 501-5673 is not shipping yet.
  3. See Sun Enterprise 450 Server Board Upgrade Guide, 806-4667Internet Link for jumper details.


Miscellaneous Connectors

CONNECTOR PINS DESCRIPTION
J3105 32 ROMBO (factory use)
J3801 144 First UPA framebuffer
J3802 144 Second UPA framebuffer
J4401 40 DC-A1 DC-DC Converter for CPU-A1
J4402 40 DC-A2 DC-DC Converter for CPU-A2
J4403 40 DC-B1 DC-DC Converter for CPU-B1
J4404 40 DC-B2 DC-DC Converter for CPU-B2
J4501 144 Power from DC Distribution board
J4502 24 To wavecrimp connector J4501
J4503 24 To wavecrimp connector J4501
J4504 14 Not installed
J4601 30 Not installed after early production
J4602 4 Second AFB fan power (not used)
J4701 68 Ultra SCSI to removable media backplane
J4702 40 Audio Module
J4703 20 First AFB power *
J4704 12 CPU Fan power
J4705 6 First AFB Blower power
J4707 20 Second AFB power *
J5502 8 JTAG Scan (factory use)
J5503 6 Not installed
J5504 2 Not installed
J5601 68 Ultra SCSI to 4-slot disk backplane
* J4703 and J4707 are not installed on System Board 501-5270.
The Wrench Icon is lit when Blower 540-3023 or Loopback Plug 530-2509 is not connected to J4705 on the System Board.


Backpanel Connectors and Backpanel Inserts


Notes

  1. The minimum A25 operating system is Solaris 2.5.1 Hardware: 4/97.
  2. The minimum A20 operating system is 2.5.1 HW: 11/97 or 2.6 HW: 3/98.
  3. Use the Flash PROM Programming Utility to update the flash PROM.
  4. Disconnect all system board power cables before removing or installing the NVRAM. Failure to remove power can result in NVRAM corruption.
  5. Use the setenv mfg-options OBP command to set the system up as a Server (mfg-options 49) or as a Workstation (mfg-options 0).

Backpanel Insert Notes

  1. System Board FRUs include PCI Insert 540-2867.
  2. 64-Bit PCI Boards do not fit into Slots 9 and 10. Connectors J3802 and J4707 interfere with the 64-Bit PCI extension connector.
  3. Ten PCI Slots are available when the PCI Insert is installed.
  4. AFB Insert 540-2868 is required if a second AFB is installed.
  5. Three PCI Slots are available when the AFB Insert is installed.

Graphics Notes

  1. Creator and Creator 3D are not supported.
  2. System Board 501-2996 does not support the AFB.
  3. System Board 501-5270 does not include AFB Power connectors.
  4. System Board 501-5028 was shipped in servers by Dev WO_14046.
  5. Elite3D-m6 lower board <=501-4231-06 is not compatible with the A20.
  6. Elite3D-m6 assembly <=540-3058-06 is not compatible with the A20.
  7. The Wrench Icon is lit when AFB Blower 540-3023 or Loopback Plug 530-2509 (Pin-1 to 2) is not connected to J4705 on the System Board.
  8. AFB Blower 540-3023 was not used after August 1997.
  9. A maximum of three Expert3D boards may be installed.
  10. Each Expert3D requires Fan board 370-4272 in a lower, adjacent slot (Expert3D and the Fan come with Option X3678A-F).

Module Notes

  1. Each 250/300/400MHz Module requires DC-DC Converter 300-1322.
  2. The installation sequence is different between FABs <=270-2996-03 and >=270-2996-04 (04 to 10) and 270-2058.
  3. The 400MHz module requires OBP >=3.12 Version 1.
  4. Empty slot A1 requires Baffle 330-2781 or 330-2805 if 400MHz modules are used.
  5. The 400MHz module is not approved for use in the Ultra 450.
  6. The 400MHz module is not compatible with System Board 501-2996.
  7. Systems built prior to approx. 11/98 are FCC Class A compliant with 400MHz.

Module Numbering for FABs >=270-2996-04 and 270-2058

SOCKETS UPA SLOT LABEL INSTALL OBP/OS DC-DC
J0101 1 CPU-A1 4th CPU 0 DC-A1
J0201 2 CPU-A2 2nd CPU 1 DC-A2
J0301 3 CPU-B1 3rd CPU 2 DC-B1
J0401 4 CPU-B2 1st CPU 3 DC-B2

Memory Notes

  1. Four DIMMs of the same size form a bank.
  2. The installation sequence is AAAA, BBBB, CCCC, and DDDD.
  3. Use the setenv memory-interleave OBP command to override the default interleave setting of auto.
  4. The smallest DIMM size is used and the remaining memory is lost if interleaving is enabled and the bank sizes are different.

Memory Slot Numbering

SOCKET LABEL INSTALL BANK DIMM# ADDRESS
U1604
U1603
U1602
U1601
D
D
D
D
4th
4th
4th
4th
1
1
1
1
3
2
1
0
4000 0000 - 7fff ffff
4000 0000 - 7fff ffff
4000 0000 - 7fff ffff
4000 0000 - 7fff ffff
U1804
U1803
U1802
U1801
B
B
B
B
2nd
2nd
2nd
2nd
3
3
3
3
3
2
1
0
c000 0000 - ffff ffff
c000 0000 - ffff ffff
c000 0000 - ffff ffff
c000 0000 - ffff ffff
U1704
U1703
U1702
U1701
C
C
C
C
3rd
3rd
3rd
3rd
0
0
0
0
3
2
1
0
0000 0000 - 3fff ffff
0000 0000 - 3fff ffff
0000 0000 - 3fff ffff
0000 0000 - 3fff ffff
U1904
U1903
U1902
U1901
A
A
A
A
1st
1st
1st
1st
2
2
2
2
3
2
1
0
8000 0000 - bfff ffff
8000 0000 - bfff ffff
8000 0000 - bfff ffff
8000 0000 - bfff ffff

SCSI Bus Notes

  1. The RMA Backplane is controlled by /pci@1f,4000/scsi@2.
  2. The 4-Slot Disk Backplane is controlled by /pci@1f,4000/scsi@3.
  3. The external A20/A25 SCSI bus is controlled by /pci@1f,4000/scsi@2.

Reference

  1. Ultra Enterprise 450 Owners Guide, 805-0429-10.Internet Link
  2. Ultra 450 Owners Guide, 805-0430-10.Internet Link
  3. ShowMe How CD-ROM Vol I, 704-5785.
  4. ShowMe How CD-ROM Vol II, 704-5786.
  5. Flash PROM Programming Guide, 802-3233.Internet Link


© 1987-2000, Sun Microsystems Inc.