Comments and Suggestions
   
Last updated: February 22, 2000


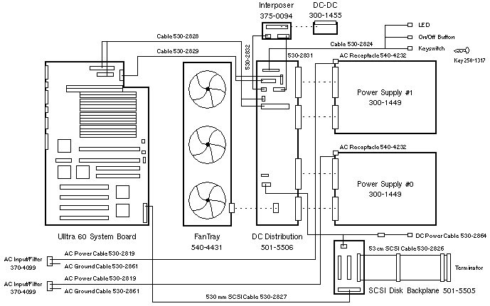
Enterprise 220R Wiring Diagram



© 1987-2000, Sun Microsystems Inc.